Kraunasi...
FACEBOOK
Prisijungti
Dar nesiregistravote?
Registruokis!
·
Pamiršai?
Vartotojas:
Slaptažodis:
Pagrindinis
Fanų forumas
Skelbimai
Nuorodos
Kontaktai
Reklama
Temos peržiūra
AudiFanai
» Apie viską »
Klausimai - atsakymai
Puslapis 6 iš 6
<<
<
3
4
5
6
Autorius
RE: degimas uzkurimas mygtuku
demonas
Klubo draugas
Atsijungęs
Pranešimai:
2166
Įstojęs:
22.08.10
Miestas:
Tauragė
Vairuoja:
Audi 90
Parašyta 2012-02-16 18:56
0
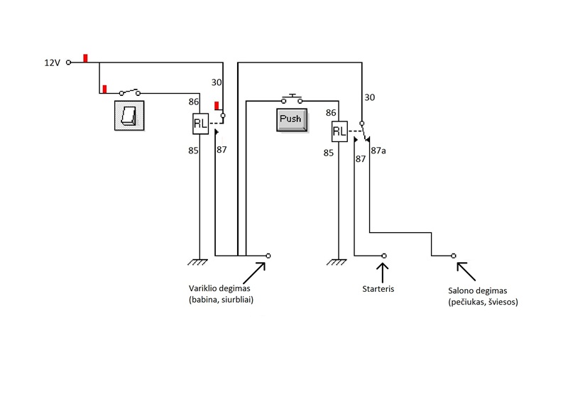
Štai pasikoregavau kad aiškiau būtų kur ką jungt
Angry Bunny isn't funny!
AUDI B2 DETALĖS 865492807
http://audi-lt.ucoz.com/
demonas prisegtas paveikslas:
Redaguotas
demonas
2012-02-16 18:58
Autorius
RE: degimas uzkurimas mygtuku
demonas
Klubo draugas
Atsijungęs
Pranešimai:
2166
Įstojęs:
22.08.10
Miestas:
Tauragė
Vairuoja:
Audi 90
Parašyta 2012-02-23 20:03
0
Klausimas iš smalsumo daugiau nei iš reikalo.
Ar normalu kad užkuriant (ne degimą jungiant) , girdisi rėlės klaksėjimas kelis kart?
Angry Bunny isn't funny!
AUDI B2 DETALĖS 865492807
http://audi-lt.ucoz.com/
Autorius
RE: degimas uzkurimas mygtuku
virsininkas88
Klubo draugas
Atsijungęs
Pranešimai:
2646
Įstojęs:
16.02.11
Vairuoja:
Audi 100
Parašyta 2012-02-23 20:21
0
akumas per silpnas?
Autorius
RE: degimas uzkurimas mygtuku
demonas
Klubo draugas
Atsijungęs
Pranešimai:
2166
Įstojęs:
22.08.10
Miestas:
Tauragė
Vairuoja:
Audi 90
Parašyta 2012-02-23 20:23
0
virsininkas88 parašė:
akumas per silpnas?
Jei taip sakai , realiai pagalvojus tai galbūt, nes trumpais atstumais pagrinde važiuoju ir gal nepasikrauna normaliai.
Angry Bunny isn't funny!
AUDI B2 DETALĖS 865492807
http://audi-lt.ucoz.com/
Autorius
RE: degimas uzkurimas mygtuku
virsininkas88
Klubo draugas
Atsijungęs
Pranešimai:
2646
Įstojęs:
16.02.11
Vairuoja:
Audi 100
Parašyta 2012-02-23 20:39
0
gali būt kad starteris ima daug elektros, tada krenta įtampa ir jos net neužtenka rėlėm maitint. pabandyk pakraut.
Puslapis 6 iš 6
<<
<
3
4
5
6
Peršokti į forumą:
Taisyklės
Teisininko konsultacijos
Prevencinės akcijos!!! Svarbu...
Klausimai - atsakymai
ĮVAIRIOS AUDIFANŲ DISKUSIJOS
VAG IR KT. GIMININGŲ AUDI MARKEI AUTOMOBILIŲ FORUMAS
MEETAI
Auto sportas, renginiai
Fotografijos, Video
Žaidimai
Pasidaryk pats
Atributika
Reklama
ŠIUKŠLIADĖŽĖ
AUDI - Coupe, Cabrio, TT
AUDI - 80, 90, Avant. [B3, B4]
AUDI - 80, 90, COUPE [B2]
Audi - 100, 200, 5000 ir kt.
AUDI - A3, S3
AUDI - A4, S4, RS4
AUDI - A5, S5
AUDI - A6, S6, RS6
AUDI - A7, S7, RS7
AUDI - A8, S8, V8
AUDI - Apie ja ir dėl jos
Mano AUDI
Bendros diskusijos apie dyzelius
Remontas
Priežiūra ir modifikacijos
APSAUGOS SISTEMOS
VARIKLIAI
REMONTAS
KITOS BĖDOS
Auto sporto renginiai
Variklio ir transmisijos modifikacijos
Kėbulo modifikacijos
Pakabos modifikacijos
Elektronika ir salonas
Saugumas ir vairavimo technika
AKUSTIKA
GROTUVAI
STIPRINTUVAI
ŽEMADAŽNIAI GARSIAKALBIAI
Pamokėlės tvarkant forumą
Svetainės redakcija
Nauja
Paieška
Gimtadieniai
Šiandien gimtadienius švenčia:
Pr0st0 Andzej
,
Wandallas
,
auto625
,
str8line
,
toshiss
,
bodja
,
derype
,
Andrius
,
freeride
,
Irmantas27
Sveikiname!
Apklausa
Kaip dažnai plaunate savo Audi?
Kasdien
2-3 kartus per savaitę
Kartą per savaitę
2-3 kartus per mėnesį
Kartą per mėnesį
2-3 kartus per metus
Kartą per metus
Neplaunu išviso
Laukiu kol lietus nuplaus
Norėdamas balsuoti turite prisijungti.
Rezultatai
Komentarai: 0
Archyvas
Raktiniai žodžai | Audi | Audi fanai | Straipsniai | Audi Forumas | Skelbimai | A2 | S2 | S3 | A3 | S4 | A4 | 80 | 90 | 100 | 200 | COUPE | Quattro | B4 | C4 | S6| A6 | S8 | A8 | V8 | TT | S5 | A5 | Q7 | R8 | RS2 | RS4 | RS6 | Info |
© AudiFanai 2006-2026 Visos teisės saugomos.
Aukštyn